Обогрев зеркал для W123.

Предполагаю, что для основной массы читателей эта статья окажется неинтересной, поскольку мало кто использует любимый автомобиль на каждый день, да ещё и зимой Да, в общем, это справедливо, если автомобиль в оригинале, с ровным кузовом, в него вложено немалое количество денег, сил и времени. Однако, я же использую его на каждый день, в том числе и зимой, поэтому постоянно сталкиваюсь с некоторыми недостатками аутентичного автомобиля из конца 70-х. Важно не увлекаться в своих порывах "допиливания" и трепетно относиться к возрасту автомобиля, стараясь делать так, чтобы аутентичность после таких доработок не страдала, и всегда можно было вернуться к первозданному состоянию. Об этом я рассказываю на страницах своего бортжурнала.
С приходом холодов и слякоти на московские дороги, резко ухудшилась обзорность в боковые зеркала. Она и так не очень хорошая из-за плоского левого зеркала (к этому ещё можно привыкнуть), так постоянное налипание капелек, обмерзание в морозную погоду, сводят на нет и без того плохую обзорность. В зеркало видно лишь многократное отражение включённых фар автомобилей. Нужен обогрев.
Казалось бы, тут ничего сложного — в интернете есть несколько предложений зеркальных элементов с обогревом, но все они с синими зеркалами, которые я на дух не переношу ещё со времён, когда у меня был ВАЗ 2112 с такими же синими зеркалами, которые незамедлительно были заменены на белые/бесцветные, тоже, кстати, с обогревом. В общем, готового решения нет, пришлось делать самому.
Сперва я заказал от Polcar белые зеркальные элементы. Тут ничего сложного, на драйве много записей о покупке и установке, с впечатлениями и мыслями. Нужен был обогрев.
Обогрев был неожиданно найден на сайте Solina, подложка идеально подходящая по размерам к нашему зеркалу. Если аккуратно наклеить, то подрезать придётся всего 1 мм . Таким образом, получаем обогрев на всю поверхность и без того небольшого зеркала.
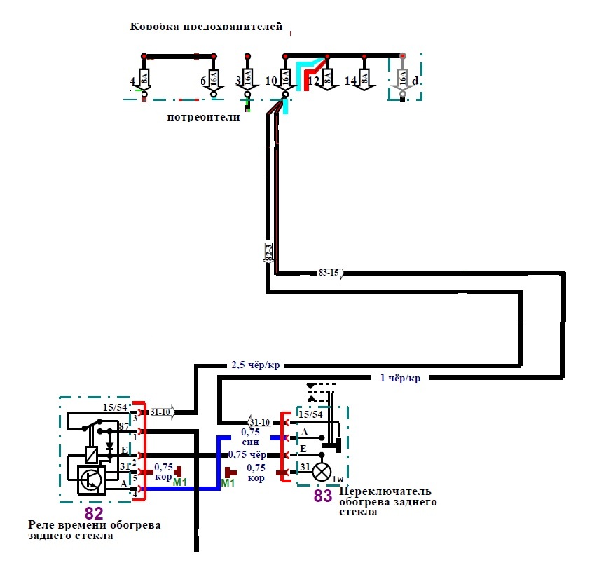
Схему подключения выбрал аналогичную схеме обогрева заднего стекла, с применением штатных мерседесовских реле, кнопки и разъёмов, которые успешно добыл на центральном складе у Якова на Мосфильмовской. Отдельную схему, не запараллеленную с обогревом заднего стекла, я выбрал осознанно, поскольку опасался излишней нагрузки на генератор в период зимней эксплуатации. Ведь у меня в планах была установка обогрева сидений, а штатный генератор на 55 ампер мог уже не вытащить зарядку 90 А*ч аккумулятора. Именно поэтому я закупил дополнительные фишки к реле и само реле обогрева заднего стекла, которое теперь будет греть боковые зеркала. Протянуть провода из дверей под панель приборов, придать всему этому более-менее заводской вид, подпаять разъёмы — эти моменты я опускаю, поскольку ничего интересного и сложного в этом нет. Подключение в колодке предохранителей осуществил на контакт предохранителя "10", параллельно обогреву заднего стекла. Там стоит 16А предохранитель, которого с лихвой хватает на одновременно включённые обгревы стекла и зеркал. Кстати, оба зеркала потребляют 1,5А ток.
Вывел контакты неаккуратно, изначально были просверленные аккуратные отверстия, но контактные площадки оказались квадратными и на 1 мм выступающими над поверхностью нагревателя.
Комплект проводки для подключения обогрева зеркал.
Внимание! Если зеркало не электрическое, то контакты нагревателя коротят на пружину зеркала. Необходимо заизолировать пружину с помощью термоусадки.
Как выяснилось в процессе эксплуатации, обогрев зеркал практически не даёт дополнительную нагрузку на генератор, плюс штатное мерседесовское реле имеет таймер отключения, так что через некоторое время обогрев зеркал отключается. В общем, мои опасения были напрасны, и обогрев зеркал можно смело подключать параллельно с обогревом заднего стекла. При этом вся схема подключения упрощается до безобразия.
Для того, чтобы не резать штатную проводку и не портить аутентичность автомобиля, я спроектировал и распечатал переходник, который легко и просто устанавливается между штатным реле обогрева заднего стекла и "фишкой" этого реле. Соответственно, из этого переходника выходят два провода-ответвления на левое и правое зеркала. На левое зеркало 1,5 метра, а на правое - 2,5 метра. Этих длин хватает с запасом чтобы аккуратно проложить внутри торпедо, завести в передние стойки и через резинки затянуть провода в передние двери. Если интересно, более подробно процедура установки описана в инструкции.
Теперь зеркала сухие в любую погоду, утром не надо отдирать наледь с них. Нагреваются довольно ощутимо, если потрогать рукой. Так что всем тем немногим, кто использует на повседнев, настоятельно рекомендую эту доработку. К слову сказать, обогрев зеркал полезен не только зимой для оттаивания наледи или против запотевания. Обогрев зеркал крайне полезен во время дождя. Заркала быстро высыхают и даже в очень сильный дождь остаются чистыми, что способствует хорошему обзору. Добавьте ещё немного комфорта в свой любимый авто!
Верёвочкой или шнурком сдёрнуть зеркальный элемент с защёлки.
Штатную кнопку обогрева, которую я приобрёл для реализации всей задумки, переделал заменив в ней пиктограмму обогрева заднего стекла на обогрев зеркала. Пиктограмму изготовил сам, пришлось разработать целую технологию. Впрочем, это тема отдельной статьи.
Вкратце процедура установки выглядит следующим образом:
Канцелярским ножом аккуртно отделить зеркало от пластиковой подложки.
Обезжирить поверхности и наклеить обогревающий элемент. Сверху приклеить зеркало. Под контакты с обратной стороны в пластиковой подложке необходимо высверлить два отверстия.
Обогрев зеркал Mercedes W123.
ClassicCarsToday.ru
ClassicCarsToday.ru
ClassicCarsToday.ru
ClassicCarsToday.ru
ClassicCarsToday.ru
ClassicCarsToday.ru
ClassicCarsToday.ru
ClassicCarsToday.ru
ClassicCarsToday.ru
ClassicCarsToday.ru
Друзья, все мои разработки теперь можно скачать на официальной странице Boosty.
Подписывайтесь чтобы не пропустить новую публикацию!